Abbildung ähnlich
ESS

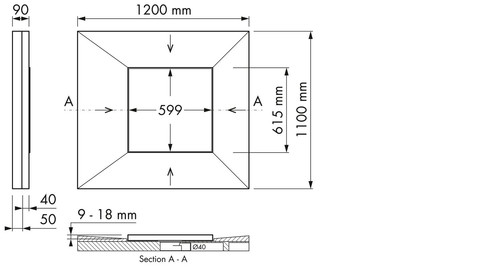
ESS Duschrinne Square 615 x 615 mm, Sperrwasserhöhe 30, 35 und 50 mm, Bauhöhe 90 mm

EGEDDOTSQ EDDOT-SQ
auf Anfrage
je 1 STCK
keine Verfügbarkeitsinformationen

Folgeartikel

Dieser wird automatisch Ihrem Warenkorb hinzugefügt.

Verkaufsdaten

Mindestbestellmenge 1 STCK
Bestellschritt 1 STCK

Beschreibung

Komplettset mit Abdeckung, befliesbar, Siphongehäuse drehbar, verstellbar, einkürzbar und verklebbar, Fliesenstärke 9-18 mm, Tiefe Fliesenmulde 12 mm, Anschluss waagerecht

Merkmale

Produktklasse Duschrinne
Länge 615 mm