Abbildung ähnlich
Aalberts

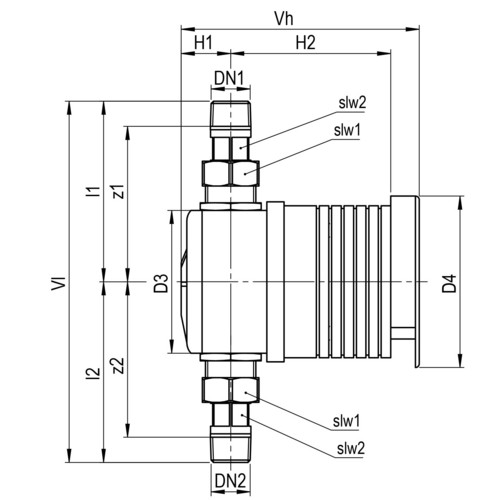
AIPS UP-Rohrunterbrecher DB SEPP Safe 8224 DN 15, drucklos, Bauform A2

SF0022688 0022688
auf Anfrage
je 1
keine Verfügbarkeitsinformationen

Folgeartikel

Dieser wird automatisch Ihrem Warenkorb hinzugefügt.

Verkaufsdaten

Mindestbestellmenge 1
Bestellschritt 1

Beschreibung

nach EN 1717 Kategorie 1, 2, 3, 4, hinter dem Rohrunterbrecher darf keine Absperrung erfolgen, T-max. 90 °C, PN10

Merkmale

Produktklasse Rohrbelüfter
Serie SEPP Safe
Modell 8224
Internet Link https://aalberts-ips.de/produkte/artikel/0022688
Farbe silber
Nenndurchmesser 1/2 Zoll