Abbildung ähnlich
Aalberts

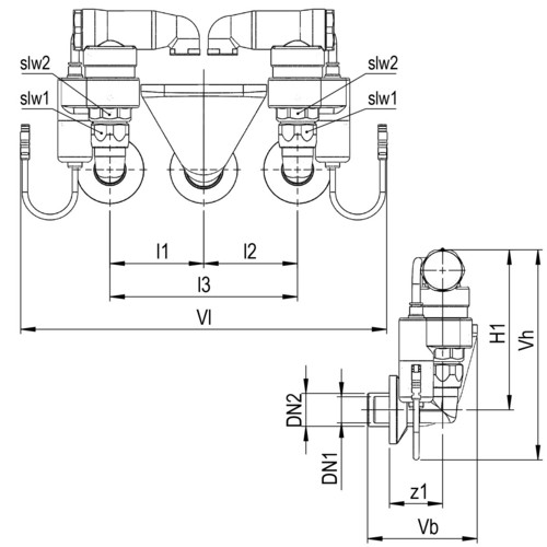
AIPS Rohrbelüfter-Komplettsatz SEPP Safe 8163.50 DN15-G1/2axG1axxG1/2a, doppelt, Plus-Spülsteuerung, Messing verchromt

SF0541227 0541227
auf Anfrage
je 1
keine Verfügbarkeitsinformationen

Folgeartikel

Dieser wird automatisch Ihrem Warenkorb hinzugefügt.

Verkaufsdaten

Mindestbestellmenge 1
Bestellschritt 1

Beschreibung

Bauform E, zur Vermeidung von Stagnationswasser, Spüldauer und -intervall einstellbar, T-max. 80 °C, PN10, mit 9V Batterie

Merkmale

Produktklasse Rohrbelüfter
Serie SEPP Safe
Modell 8163.50
Internet Link https://aalberts-ips.de/produkte/artikel/0541227
Farbe Chrom
Oberflächenschutz verchromt
Nenndurchmesser 1/2 Zoll
Werkstoff des Gehäuses Messing