Abbildung ähnlich
Aalberts

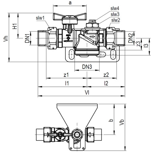
AIPS Montageset SEPP Easy I 5290103 DN 25 x Rp 1, für Einrohrgaszähler, Messing

SF0048689 0048689
auf Anfrage
je 1
keine Verfügbarkeitsinformationen

Folgeartikel

Dieser wird automatisch Ihrem Warenkorb hinzugefügt.

Verkaufsdaten

Mindestbestellmenge 1
Bestellschritt 1

Beschreibung

MOP5/C1, mit Montagekonsole, 2x Verschraubung mit Innengewinde, mit Prüföffnung DN 15

Merkmale

Produktklasse Gaszähleranschlussstück
Serie SEPP Easy I
Modell 5290103
Internet Link https://aalberts-ips.de/produkte/artikel/0048689
DVGW-Siegel für Gas ja