Abbildung ähnlich
Aalberts

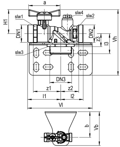
AIPS Montageset SEPP Easy I 5290100 DN 25 x G 1 3/8a, für Einrohrgaszähler, Messing

SF0049963 0049963
auf Anfrage
je 1
keine Verfügbarkeitsinformationen

Folgeartikel

Dieser wird automatisch Ihrem Warenkorb hinzugefügt.

Verkaufsdaten

Mindestbestellmenge 1
Bestellschritt 1

Beschreibung

MOP5/C1, mit Montagekonsole, ohne Verschraubungen, mit Prüföffnung G 1/4

Merkmale

Produktklasse Gaszähleranschlussstück
Serie SEPP Easy I
Modell 5290100
Internet Link https://aalberts-ips.de/produkte/artikel/0049963
DVGW-Siegel für Gas nein